Im Herzen von Trinità d'Agultu, in einer der faszinierendsten Gegenden Nordsardiniens, entsteht die neue Wohnanlage "Petra Bianca", ein moderner Bau auf drei Ebenen, der Qualität, Komfort und eine hervorragende Panoramalage bietet. Die Gegend verbindet die Ruhe des Dorfes mit der Bequemlichkeit, die Strände der Isola Rossa in wenigen Minuten zu erreichen, während die Costa Paradiso etwa fünfzehn Minuten entfernt ist. Dienstleistungen, Restaurants, touristische Aktivitäten und eine einzigartige natürliche Umgebung machen diese Gegend zu einem idealen Ort sowohl für diejenigen, die ein Ferienhaus suchen, als auch für diejenigen, die in eine Immobilie investieren möchten, die im Sommer stark vermietet wird. Das Projekt, das sich in einer fortgeschrittenen Bauphase befindet, zeichnet sich durch moderne Linien, zeitgemäße Materialien und eine funktionelle Innenaufteilung aus, wobei viele Einheiten Meerblick auf die Küste und das Tal bieten.
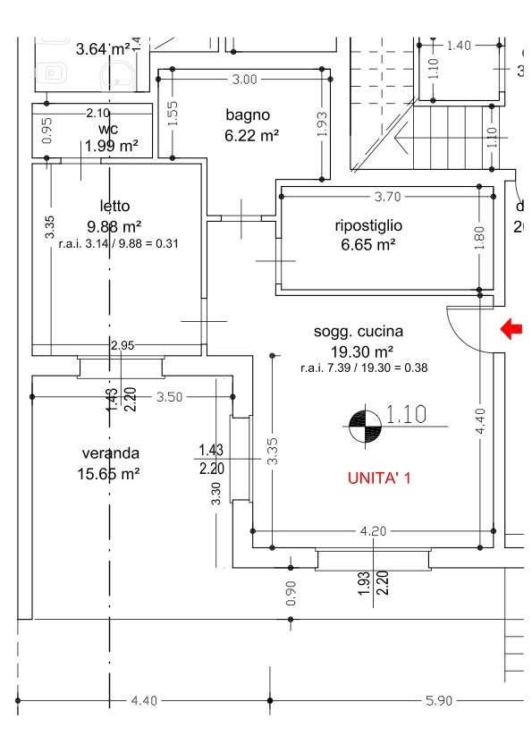
Der Star der Anzeige ist das Apartment 1, eine Zweizimmerwohnung im Erdgeschoss, die sich an diejenigen richtet, die Wert auf Funktionalität und Wohnlichkeit legen. Sie besteht aus einem Wohnzimmer mit Kochnische, einem Schlafzimmer mit Doppelbett, zwei Bädern, einem Hauswirtschaftsraum mit Innenfenster und einer Veranda mit schönem Meerblick, die zum Entspannen im Freien einlädt. Die Räume sind kompakt, aber gut verteilt und eignen sich sowohl für die saisonale als auch für die dauerhafte Nutzung.
Im selben Komplex sind auch andere Lösungen verfügbar, die von mindestens einem bis zu drei Schlafzimmern reichen, darunter Zweizimmerwohnungen, Dreizimmerwohnungen und eine größere Vierzimmerwohnung. Die Vielfalt der Typen ermöglicht es, unterschiedliche Bedürfnisse zu befriedigen und bietet interessante Möglichkeiten für Familien, Investoren oder einfach für diejenigen, die ein neues, modernes Zuhause auf Sardinien suchen.
Für detaillierte Informationen über die Verfügbarkeit und die Besichtigung vor Ort wenden Sie sich bitte direkt an uns.
Via San Francesco n.9
07052 San Teodoro (SS)
Tel: +39 0784 851070
E-mail: info@centocasesardegna.it

Centocase Sardegna San Teodoro
s.teodoro@centocasesardegna.it